High Precision
Exceptional Endurance
Low Noise
High Efficiency
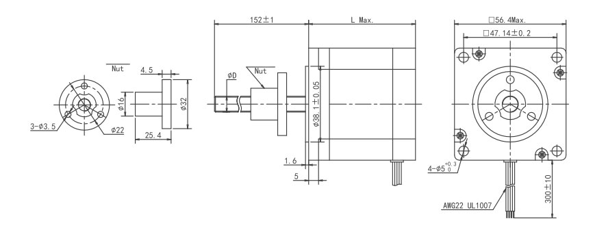
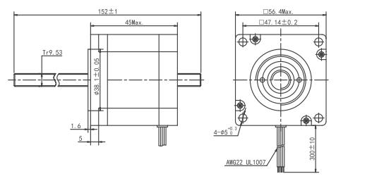
The hybrid linea rstepper motor takes the hybrid motor as the power source, through theadvanced technology, the screw drive component is combined with the motor rotor, and the motor rotation motion is converted to the linear motion. The hybrid linear motor of changzhou BAOLONG adopts the high-efficiency transmission screw design and unique bearing technology, and the motor is superior to the similar products in the market in transmission efficiency, reliability, bearing capacity and life, which is more advantageous than the commonly used metal nut structure design, and the life can be improved at least 8 times. Suitable for occasions with limited space, high requirements for motor performance and reliability, precision positioning, fast motion and long life.
High Precision
Exceptional Endurance
Low Noise
High Efficiency
Electrical Specifications| Series Model |
Rated Current (A) |
Phase Resistance (Ω) |
Phase Inductance (mH) |
Lead Wire (No.) |
Holding Torque (N.cm) |
Motor Length L (mm) |
Step Angle (°) |
| 23HS4425 | 2.5 | 1.0 | 2.2 | 4 | 0.8 | 45 | 1.8 |
| 23HS5425 | 2.5 | 1.1 | 3.2 | 1.0 | 51 | ||
| 23HS6430 | 3.0 | 0.7 | 2.4 | 1.1 | 56 | ||
| 23HS8408 | 4.2 | 0.55 | 1.8 | 1.8 | 76 |
*Note:We can manufacture products according to customer’s requirements,please contact us when you choose the motor type.
| Code | DiameterΦD | Linear travel per step | Step |
| 81 | Φ8.0 | 0.01 | 2 |
| 82 | 0.02 | 4 | |
| 84 | 0.04 | 8 | |
| 951 | Φ9.53 | 0.0127 | 2.54 |
| 952 | 0.0254 | 5.08 | |
| 954 | 0.0508 | 10.16 | |
| The shaft length can be custom-made. | |||



Dynamic Thrust Curve
Drive Mode:Full step Code:801、804、951、952、954
