Basic characteristics of motor
|
Rated power(W) |
200(200W/400W) |
|
Rated speed(r/min) |
3000 |
|
Rated torque(N.m) |
0.636 |
|
Instantaneous maximum torque(N.m) |
0.955 |
|
Rotor moment of inertia(J:X10-4kg.m2) |
0.460 |
|
Speed control range(RPM) |
200~2500 |
|
Speed control range On load |
Below ±1%: Condition 0~rated torque, rated speed, rated voltage, room temperature |
|
Speed control On voltage |
Below±1%: Condition rated voltage ±10%, rated speed, rated load, room temperature |
|
Speed control On temperature |
Below±1%: Conditions of ambient temperature -10ºC~+40ºC rated voltage, rated load and rated speed |
|
Rated voltage(V) |
Single phase 110V | Single phase 220V | 24VDC (Optional 36VDC/48VDC) |
|
Voltage tolerance range |
±10% |
|
Frequency(Hz) |
50/60 |
|
Frequency tolerance range |
±5% |
|
Rated input current(A) |
4.7 | 2.4 | 7.5 |
|
Instantaneous maximum input current(A) |
9.0 | 4.8 | 11.5 |
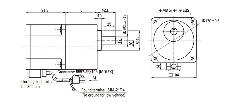
Circular shaft type optical motor
200W Parallel shaft speed reducer
Z6BLD200- GU-30S/6GU□K Machine allowable torque (at 200~1500RPM)
|
Gear Ratio
|
Rated Torque (Nm)
|
|---|---|
| 3 | 2.41 |
| 3.6 | 2.90 |
| 5 | 4.02 |
| 6 | 4.83 |
| 7.5 | 6.03 |
| 9 | 7.24 |
| 12.5 | 9.06 |
| 15 | 10.9 |
| 18 | 13.1 |
| 20 | 16.4 |
| 25 | 19.7 |
| 30 | 23.6 |
| 36 | 23.6 |
| 50 | 32.8 |
| 60 | 39.3 |
| 75 | 40.0 |
| 90 | 40.0 |
| 100 | 40.0 |
| 120 | 40.0 |
| 150 | 40.0 |
| 180 | 40.0 |
| 200 | 40.0 |
Z6BLD400- GU-30S/6GU□K Machine allowable torque (at 200~1500RPM)
|
Gear Ratio
|
Rated Torque (Nm)
|
|---|---|
| 3 | 4.82 |
| 3.6 | 5.80 |
| 5 | 8.04 |
| 6 | 9.66 |
| 7.5 | 12.06 |
| 9 | 14.48 |
| 12.5 | 18.12 |
| 15 | 21.8 |
| 18 | 26.2 |
| 25 | 32.8 |
| 30 | 39.4 |
| 36 | 40.0 |
| 50 | 40.0 |
| 60 | 40.0 |
| 75 | 40.0 |
| 90 | 40.0 |
| 100 | 40.0 |
| 120 | 40.0 |
| 150 | 40.0 |
| 180 | 40.0 |
| 200 | 40.0 |
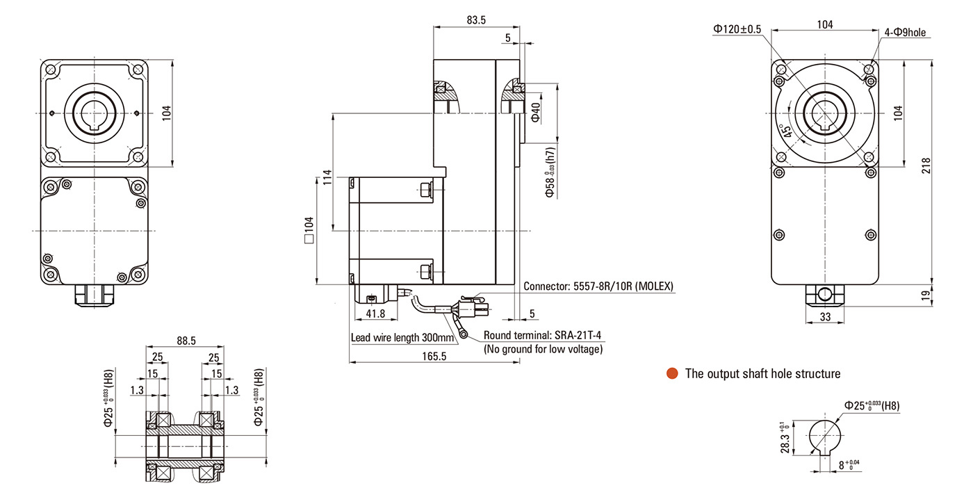
L type speed reducer Z6BLD200- GUL-30S/6GU□LC

Z6BLD200- GUL-30S/6GU□LC Machine allowable torque (at 200~1500RPM)
|
Gear Ratio
|
Rated Torque (Nm)
|
| 5 | 4.02 |
| 15 | 12.1 |
| 20 | 16.10 |
| 30 | 21.80 |
| 40 | 32.20 |
| 50 | 40.20 |
| 100 | 80.40 |
Z6BLD400- GUL-30S/6GU□LC Machine allowable torque (at 200~1500RPM)
|
Gear Ratio
|
Rated Torque (Nm)
|
| 5 | 8.04 |
| 15 | 24.20 |
| 20 | 32.20 |
| 30 | 43.60 |
| 40 | 64.40 |
| 50 | 80.40 |
| 100 | 120.0 |
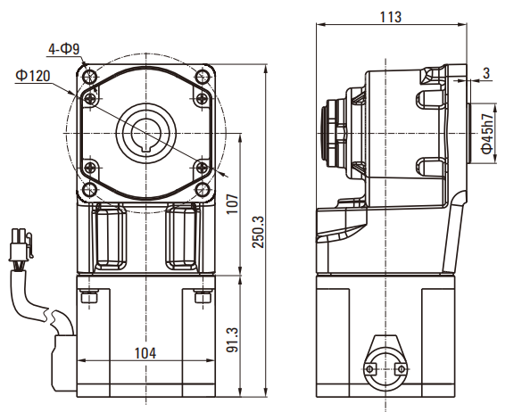
Z6BLD200- GU-30S/6GU□RC
Arc cone right angle speed reducer motor

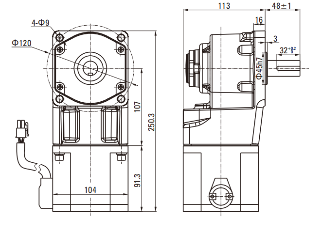
Z6BLD200- GU-30S/6GU□RT
Arc cone right angle speed reducer motor

Z6BLD200- GU-30S/6GU□RC/RT Machine allowable torque (200~1500RPM)
|
Gear Ratio
|
Rated Torque (Nm)
|
| 7.5 | 6.03 |
| 9 | 7.24 |
| 12.5 | 9.06 |
| 15 | 10.9 |
| 18 | 13.1 |
| 25 | 16.4 |
| 30 | 19.7 |
| 36 | 23.6 |
| 50 | 32.8 |
| 60 | 39.3 |
| 75 | 40.0 |
| 90 | 40.0 |
| 100 | 40.0 |
| 120 | 40.0 |
| 150 | 40.0 |
| 180 | 40.0 |
| 200 | 40.0 |
Z6BLD400- GU-25S/6GU□RC/RT Machine allowable torque (200~1500RPM)
|
Gear Ratio
|
Rated Torque (Nm)
|
| 7.5 | 12.06 |
| 9 | 14.48 |
| 12.5 | 18.12 |
| 15 | 21.8 |
| 18 | 26.2 |
| 25 | 32.8 |
| 30 | 39.4 |
| 36 | 40.0 |
| 50 | 40.0 |
| 60 | 40.0 |
| 75 | 40.0 |
| 90 | 40.0 |
| 100 | 40.0 |
| 120 | 40.0 |
| 150 | 40.0 |
| 180 | 40.0 |
| 200 | 40.0 |
Description
Functional Positioning and Target Integration of the 104 Series
The 104 Series Brushless DC Motor is engineered for industrial users requiring precise and reliable power transmission. Designed by a leading bldc gearmotor manufacturer, it suits applications demanding consistent torque and speed regulation within automated machinery and robotics. Its compatibility with multiple rated voltages (110V, 220V AC, 24V DC with options for 36V or 48V) addresses diverse power supply environments. Target users include engineers and system integrators favoring durable bldc motors that minimize maintenance downtime and enable smooth operations in complex electromechanical setups.
Advanced Technical Features and Precise Performance Metrics
This bldc motor offers rated powers of 200W or 400W with rated speeds of 3000 RPM, featuring a broad speed control range from 200 to 2500 RPM with ±1% accuracy under varying load, voltage, and temperature. Its brushless design ensures low rotor inertia (0.460 ×10⁻⁴ kg·m²), facilitating responsive acceleration and deceleration. The motor supports multiple speed reducer configurations such as parallel shaft, L-type, and arc cone right angle reducers enhancing torque flexibility up to 120 Nm depending on the gear ratio. These technical specs enable optimal bldc motor control for precision-dependent industrial systems.
Industry Applications and Operational Value of the 104 Series
Commonly deployed in automated assembly lines, conveyor systems, and robotics, the 104 Series serves industries requiring consistent and reliable torque output. As a small bldc motor, it replaces traditional brushed motors to increase efficiency and lifespan. Its modular compatibility with various speed reducers allows engineers to tailor torque output precisely, supporting tasks like electromechanical prototyping, testing, and industrial device power transmission. This wide application scope showcases the motor’s relevance as a reliable solution from experienced bldc motor manufacturers meeting international quality standards.
Use Scenarios
Precision Motion Control in Automated Manufacturing
In advanced manufacturing environments requiring exact speed and torque regulation, the 104 Series bldc motor acts as a pivotal component in automated machinery. Operating under stringent accuracy standards, it ensures repeatable and reliable mechanical motion essential for conveyor lines and robotic actuators. The motor’s capability for high-precision bldc motor control and compatibility with multiple speed reducers allows integrators to optimize system performance with minimal downtime. Its structured design accommodates real-time load variations and maintains compliance with industrial power supply standards, ensuring smooth integration within factory automation systems.
Robotics and Prototyping Applications
Within robotics and electromechanical prototyping sectors, the 104 Series offers a robust small bldc motor solution favored for its durability and precise speed regulation. It supports varied voltage inputs and tight speed control, crucial for sensor-driven actuation and feedback loops common in robotic drives. This motor’s low inertia and high torque responsiveness enable critical performance benefits such as rapid positioning and energy efficiency. Manufacturers and developers benefit from its modular compatibility with various gear reducers, ensuring tailored torque delivery that aligns with evolving prototype requirements and operational safety standards.
FAQ
What customization options are available for the 104 Series Brushless DC Motor?
The 104 Series Brushless DC Motor offers customizable rated voltages including 110V, 220V AC, and 24VDC, with optional 36VDC or 48VDC. It supports various speed reducers—parallel shaft, L-type, and arc cone right angle—enabling tailored torque and speed control to fit specific industrial needs. This flexibility benefits users seeking reliable bldc motor solutions.
How does the brushless design affect maintenance requirements?
The brushless design of this bldc motor reduces wear and eliminates brushes, drastically lowering maintenance needs and extending service life. This enhances reliability in industrial settings, reducing downtime and operational costs compared with traditional brushed motors.
What are the delivery lead times for orders of the 104 Series Brushless DC Motor?
Delivery times vary based on order volume and destination. Caida’s distribution network, including European warehouses, enables localized 72-hour delivery in Europe. For precise lead times, contacting Caida sales is recommended to ensure orders align with project timelines.
What installation considerations are important for ensuring precise speed control?
Proper installation includes selecting compatible speed reducers and ensuring power supply matches rated voltages (110V/220V AC or 24-48V DC). The motor maintains ±1% speed accuracy under load, voltage ±10%, and temperature -10ºC to +40ºC. Correct electrical connections and environmental conditions are crucial for optimal bldc motor control performance.