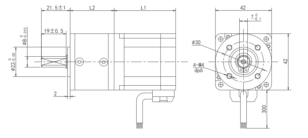
Basic Size: 42mm
Length (mm): 47mm-87mm
Rated Voltage (VDC): 24VDC
Rated Torque (N.m): 0.1-0.3N.m
Rated Power (W): 30-90W
Rated Speed (Rpm): 3000Rpm
Electrical Specifications
| Motor Model | Rated Voltage(VDC) | Rated Speed(Rpm) | Rated Torque(N.m) | Rated Power(W) | Length(mm) |
| 17WSTE243030 | 24 | 3000 | 0.1 | 31 | 47 |
| 17WSTE246030 | 0.2 | 63 | 67 | ||
| 17WSTE249030 | 0.3 | 94 | 87 |
| Reducer Series | Transmission efficiency | Max radial load | Max axial load | Transmission torque | Reduction Ratio | Length(mm) |
| 1 | 90% | 200N | 100N | 6N.m | 5,10 | 33.5 |
| 2 | 81% | 200N | 100N | 12N.m | 20,25,35,40,45,50,100 | 43 |

