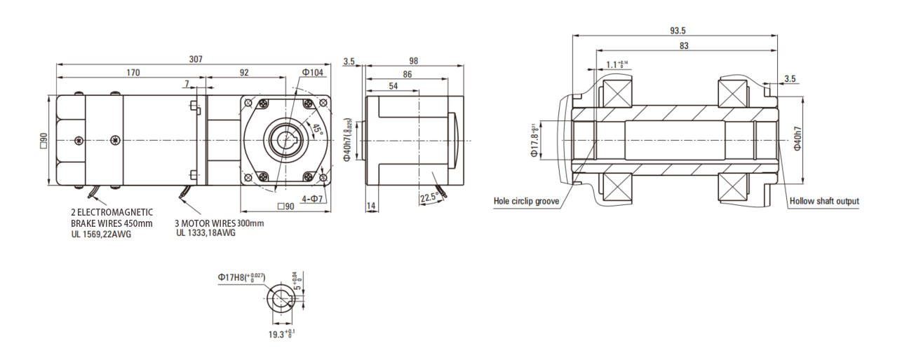
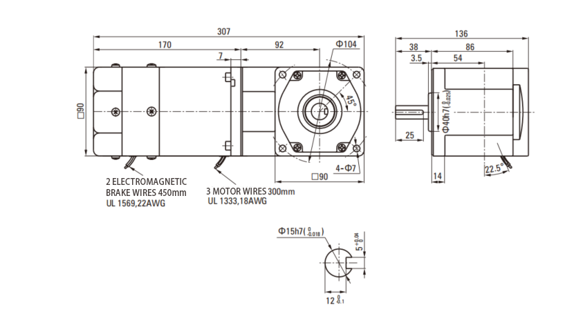
|
Pinion Shaft |
Rating |
Output power (W) |
Rated Voltage (V)
|
Frequency (Hz)
|
Rated Current(A)
|
Starting Torque (mNm)
|
Rated Torque (mNm)
|
Rated Speed (r/min)
|
Capacitor (μF)
|
|
5RK90GU-AFM |
30min |
90 |
1ph100 | 50|60 |
1.78|2.35 |
600 |
700|570 |
1250|1550 |
30 |
|
5RK90GU-EFM |
30min |
90 | 1ph 110 | 1ph 120 | 60 | 1.72 | 550|600 | 570 | 1550 |
25 |
|
5RK90GU-CFM |
30min |
90 | 1ph 220 | 1ph 230 | 50 | 0.82|0.81 | 560 | 700 | 1250 |
6.0 |
|
5RK90GU-HFM |
30min |
90 | 1ph 220 | 1ph 230 | 60 | 0.81|0.80 | 560 | 570 | 1550 |
6.0 |
|
5RK90GU-SFM |
30min |
90 |
3ph 220 |
50|60 | 0.60|0.55 | 1350|1100 | 700|570 | 1250|1550 | - |
|
5RK90GU-S3FM |
30min |
90 |
3ph 380 |
50|60 | 0.35|0.32 | 1350|1100 | 700|570 | 1250|1550 | - |
Note: "-A" it means the voltage 110V, the assembly capacitor vaule it is according the labe.
|
Gear Ratio
|
Speed (min-1)
|
Rated Torque (Nm)
|
|---|---|---|
| 3 | 500 | 1.13 |
| 3.6 | 417 | 1.35 |
| 5 | 300 | 1.88 |
| 6 | 250 | 2.26 |
| 7.5 | 200 | 3.55 |
| 9 | 166 | 3.76 |
| 10 | 150 | 4.18 |
| 12.5 | 120 | 5.92 |
| 15 | 100 | 7.10 |
| 18 | 83 | 7.52 |
| 20 | 75 | 8.35 |
| 25 | 60 | 11.8 |
| 30 | 50 | 14.2 |
| 36 | 41 | 15.3 |
| 50 | 30 | 20.0 |
| 60 | 25 | 20.0 |
| 75 | 20 | 20.0 |
| 90 | 16 | 20.0 |
| 100 | 15 | 20.0 |
| 120 | 12.5 | 20.0 |
| 150 | 10 | 20.0 |
| 180 | 8.3 | 20.0 |
Motor Size Chart
