|
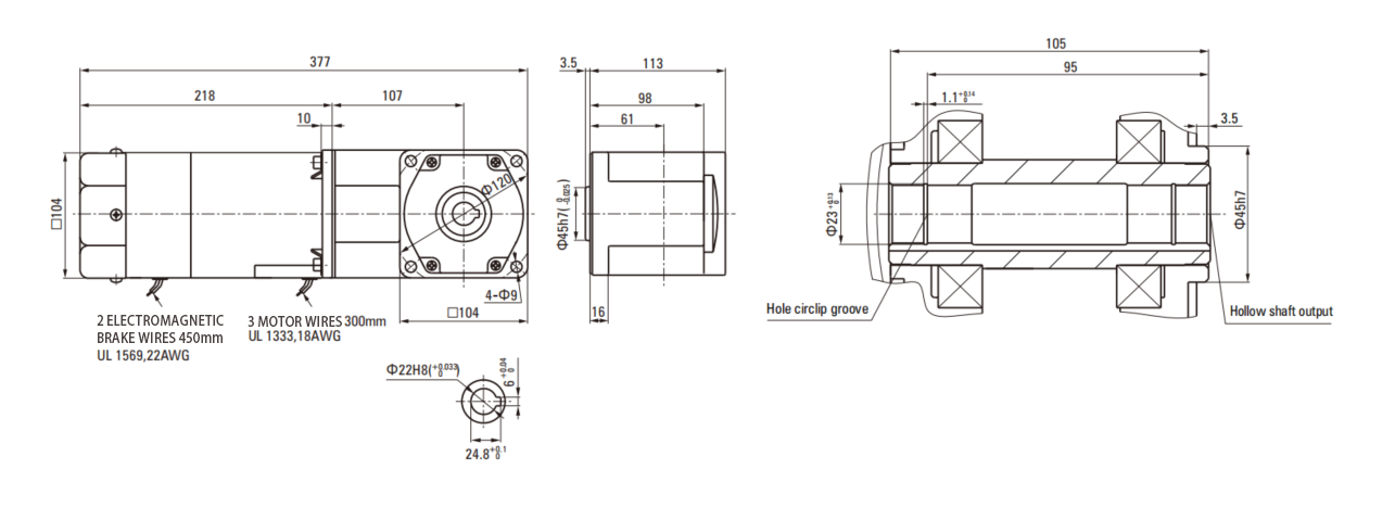
Pinion Shaft |
Rating |
Output power (W) |
Rated Voltage (V)
|
Frequency (Hz)
|
Rated Current(A)
|
Starting Torque (mNm)
|
Rated Torque (mNm)
|
Rated Speed (r/min)
|
Capacitor (μF)
|
|
6RK200GU-AFM |
30min |
200 |
1ph100 | 50|60 |
3.20|3.50 |
900 | 1385|1120 | 1250|1550 | 45 |
|
6RK200GU-EFM |
30min |
200 |
1ph 110 |1ph 120 | 60 | 2.75|2.65 | 850 | 1120 | 1550 | 35 |
|
6RK200GU-CFM |
30min |
200 |
1ph 220 |1ph 230 | 50 | 1.40 | 1380 | 1250 | 1250 | 12 |
|
6RK200GU-HFM |
30min |
200 |
1ph 220 |1ph 230 | 60 | 1.40 | 1000 | 1120 | 1550 | 12 |
|
6RK200GU-SFM |
30min |
200 |
3ph 220 |
50|60 | 1.20|1.00 | 3400|2700 | 1385|1120 | 1250|1550 | - |
|
6RK200GU-S3FM |
30min |
200 |
3ph 380 |
50|60 | 0.69|0.58 | 3400|2700 | 1385|1120 | 1250|1550 | - |
Note: "-A" it means the voltage 110V, the assembly capacitor vaule it is according the labe.
|
Gear Ratio
|
Speed (min-1)
|
Rated Torque (Nm)
|
|---|---|---|
| 3 | 500 | 2.51 |
| 3.6 | 417 | 3.01 |
| 5 | 300 | 4.18 |
| 6 | 250 | 5.01 |
| 7.5 | 200 | 6.27 |
| 9 | 166 | 8.35 |
| 10 | 150 | 9.28 |
| 12.5 | 120 | 13.9 |
| 15 | 100 | 15.3 |
| 18 | 83 | 16.7 |
| 20 | 75 | 18.6 |
| 25 | 60 | 25.2 |
| 30 | 50 | 30.3 |
| 36 | 42 | 33.4 |
| 40 | 37 | 37.1 |
| 50 | 30 | 50.4 |
| 60 | 25 | 60.0 |
| 75 | 20 | 60.0 |
| 90 | 16 | 60.0 |
| 100 | 15 | 60.0 |
| 120 | 12.5 | 60.0 |
| 150 | 10 | 60.0 |
| 180 | 8.3 | 60.0 |
Motor Size Chart
