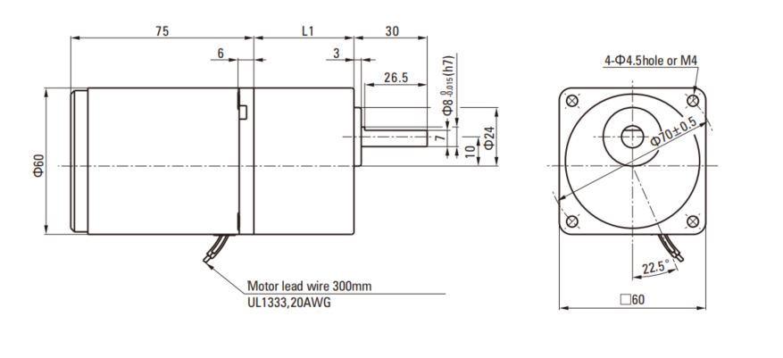
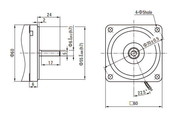
|
Pinion Shaft |
Rated Power (W)
|
Rated Voltage (V)
|
Frequency (Hz)
|
Rated Current(A)
|
Starting Torque (mNm)
|
Rated Torque (mNm)
|
Rated Speed (min-1)
|
Capacitor (μF)
|
|---|---|---|---|---|---|---|---|---|
| R606-110 | 6 | 1ph100 | 50|60 |
0.265|0.232 |
60|55 |
48 | 1200|1450 | 4.0 |
| R606-220 | 6 | 1ph 220 |1ph 230 | 50|60 |
0.145 | 0.150 |
55 | 48 | 1200 | 1.0 |
|
Gear Ratio
|
Speed (min-1)
|
Rated Torque (Nm)
|
|---|---|---|
| 3 | 500 | 0.12 |
| 3.6 | 417 | 0.14 |
| 5 | 300 | 0.19 |
| 6 | 250 | 0.23 |
| 7.5 | 200 | 0.29 |
| 9 | 166 | 0.35 |
| 10 | 150 | 0.39 |
| 12.5 | 120 | 0.49 |
| 15 | 100 | 0.58 |
| 18 | 83 | 0.70 |
| 20 | 75 | 0.75 |
| 25 | 60 | 0.88 |
| 30 | 50 | 1.10 |
| 36 | 41 | 1.30 |
| 40 | 37 | 1.39 |
| 50 | 30 | 1.60 |
| 60 | 25 | 1.90 |
| 75 | 20 | 2.40 |
| 90 | 16 | 2.90 |
| 100 | 15 | 3.00 |
| 120 | 12.5 | 3.00 |
| 150 | 10 | 3.00 |
| 180 | 8.3 | 3.00 |
| 200 | 7.5 | 3.00 |


|
Capacitance (μF)
|
L
|
W
|
H
|
|
4.0 |
47 | 17 | 31 |
|
2.5 |
38 | 17 | 28 |
| 1.0 | 36 | 11 | 22 |