|
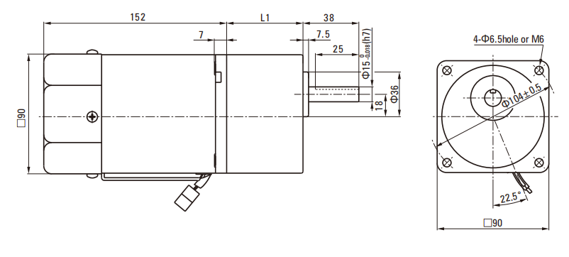
Pinion Shaft |
Output power (W) |
Rated Voltage (V)
|
Frequency (Hz)
|
Speed Control Range (r/min) |
Allowance Torque 1200r/min(mN.m) |
Allowance Torque 90r/min(mN.m) |
Starting Torque (mNm)
|
Rated Current (A)
|
Capacitor (μF)
|
|---|---|---|---|---|---|---|---|---|---|
| S12090-110T | 120 | 1ph100 | 50|60 |
90~1350|90~1650 |
750 | 330 | 530 | 2.10|2.50 | 30.0 |
|
S12090-220T |
120 | 1ph 220 |1ph 230 | 50 |
90~1350 |
750 | 330 | 530 | 1.00|0.95 | 7.0 |
|
Gear Ratio
|
Speed (min-1)
|
Rated Torque (Nm)
|
|---|---|---|
| 3 | 500 | 2.30 |
| 3.6 | 417 | 2.70 |
| 5 | 300 | 3.80 |
| 6 | 250 | 4.50 |
| 7.5 | 200 | 5.60 |
| 9 | 166 | 6.80 |
| 10 | 150 | 7.01 |
| 12.5 | 120 | 8.50 |
| 15 | 100 | 10.2 |
| 18 | 83 | 12.2 |
| 20 | 75 | 12.5 |
| 25 | 60 | 15.3 |
| 30 | 50 | 18.4 |
| 36 | 41 | 20.0 |
| 40 | 37 | 20.0 |
| 50 | 30 | 20.0 |
| 60 | 25 | 20.0 |
| 75 | 20 | 20.0 |
| 90 | 16 | 20.0 |
| 100 | 15 | 20.0 |
| 120 | 12.5 | 20.0 |
| 150 | 10 | 20.0 |
| 180 | 8.3 | 20.0 |
| 200 | 7.5 | 20.0 |

