|
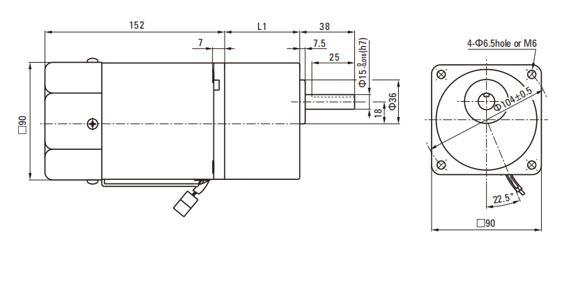
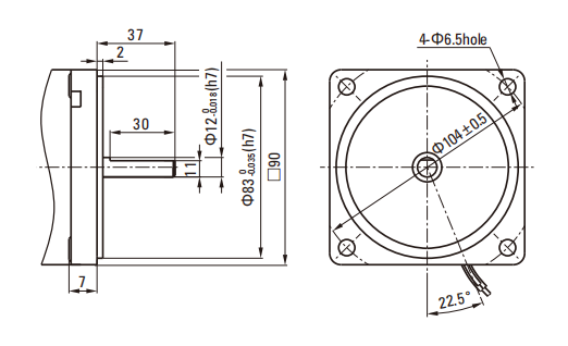
Pinion Shaft |
Output power (W) |
Rated Voltage (V)
|
Frequency (Hz)
|
Speed Control Range (r/min) |
Allowance Torque 1200r/min(mN.m) |
Allowance Torque 90r/min(mN.m) |
Starting Torque (mNm)
|
Rated Current (A)
|
Capacitor (μF)
|
|
S9090-110 |
90 | 1ph100 | 50|60 |
90~1350|90~1650 |
710 | 230|260 | 405 | 1.55|1.85 | 25.0 |
|
S9090-220 |
90 | 1ph 220 | 1ph 230 | 50 |
90~1350 |
710 | 230 | 410 | 0.72|0.70 | 5.0 |
|
Gear Ratio
|
Speed (min-1)
|
Rated Torque (Nm)
|
|---|---|---|
| 3 | 500 | 1.70 |
| 3.6 | 417 | 2.00 |
| 5 | 300 | 2.80 |
| 6 | 250 | 3.40 |
| 7.5 | 200 | 4.30 |
| 9 | 166 | 5.10 |
| 10 | 150 | 5.31 |
| 12.5 | 120 | 6.40 |
| 15 | 100 | 7.70 |
| 18 | 83 | 9.20 |
| 20 | 75 | 9.55 |
| 25 | 60 | 11.6 |
| 30 | 50 | 13.6 |
| 36 | 41 | 16.6 |
| 40 | 37 | 18.1 |
| 50 | 30 | 20.0 |
| 60 | 25 | 20.0 |
| 75 | 20 | 20.0 |
| 90 | 16 | 20.0 |
| 100 | 15 | 20.0 |
| 120 | 12.5 | 20.0 |
| 150 | 10 | 20.0 |
| 180 | 8.3 | 20.0 |
| 200 | 7.5 | 20.0 |

