Note:
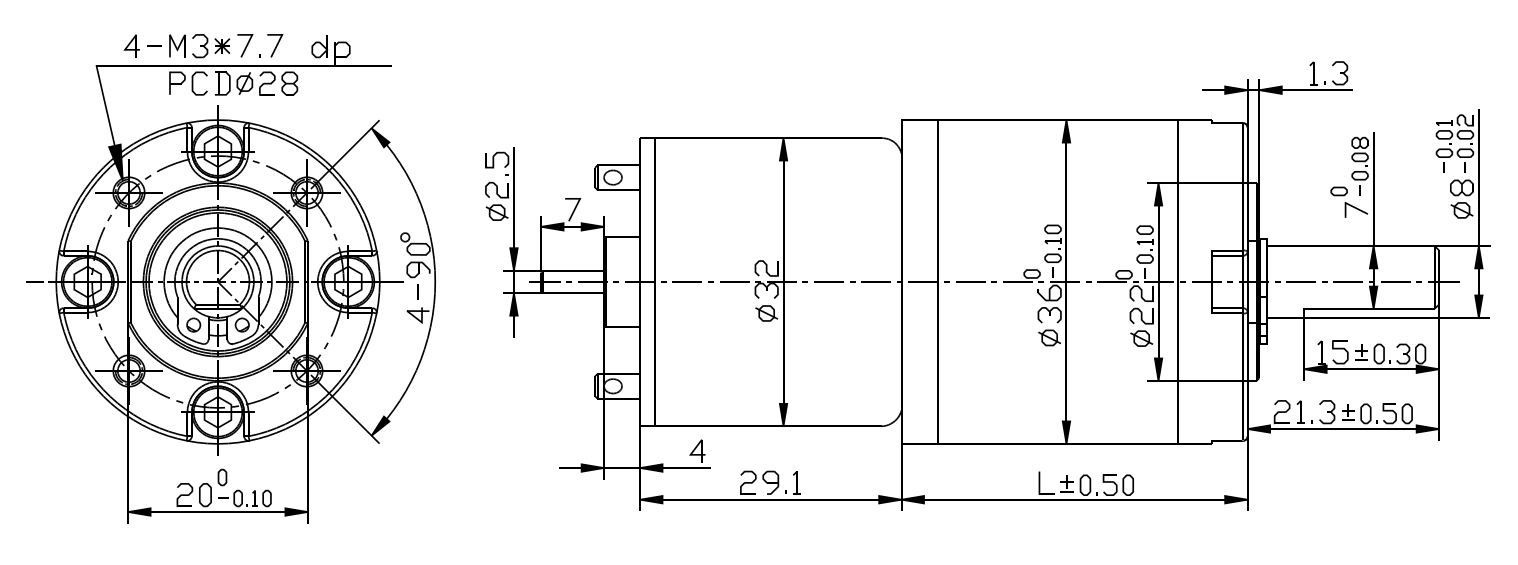
Typical applications: Auto shutter,Micro CNC equeipment,Central airconditioning valve,Robots,Towel dispensers,Limelight, Automatic closetbowl special valve,Electric advertising, Angular telescope,Office equeipment,Household appliances,Automatic actuator.APPEARANCE SIZE

Gearbox data
|
Number of stages |
1 Stages reduction |
2 Stages reduction |
3 Stages reduction |
4 Stages reduction |
5 Stages reduction |
|
Reduction ratio |
3.7、5.2 |
13.7、19.2、26.9 |
50.9、71.2、 99.5、139 |
188、246、369、 516、721 |
699、977、1367、 1911、2672、3736 |
|
Reduction ratio |
26.4 |
32.6 |
38.9 |
45.3 |
52.5 |
|
Max.Running torque |
10kgf.cm |
20kgf.cm |
50kgf.cm |
50kgf.cm |
50kgf.cm |
|
Max.Gear breking torque |
30kgf.cm |
60kgf.cm |
150kgf.cm |
150kgf.cm |
150kgf.cm |
|
Max.Gearing efficiency |
90% |
81% |
73% |
65% |
59% |
Motor data
|
Motor Model |
Rated Volt.V |
No load |
Load torque |
Stall torque |
|||||
|
Current |
Speed |
Current |
Speed |
Torque |
Output power |
Torque |
Current |
||
|
mA |
r/min |
mA |
r/min |
gf.cm |
W |
gf.cm |
mA |
||
|
GR-124500 |
12 |
≤90 |
4500 |
≤220 |
3589 |
67.6 |
2.5 |
358 |
1500 |
|
GR-127000 |
12 |
≤140 |
7000 |
≤700 |
5647 |
79.7 |
4.6 |
472 |
3030 |
|
GR-244500 |
24 |
≤50 |
4500 |
≤160 |
3539 |
60 |
2.1 |
281 |
596 |
|
GR-246700 |
24 |
≤70 |
6700 |
≤280 |
4500 |
78.4 |
4.23 |
381 |
1140 |